近日,菲律賓客戶正式與我司達成合作,訂購我司酵母烘干機兩套,預計年產量將達4000噸,根據客戶要求,目前兩套酵母烘干機已投入研制,將在規定工期內完成制造,交付客戶,關于設備安裝、試機等后續工作敬請關注鼎力公司網站信息。


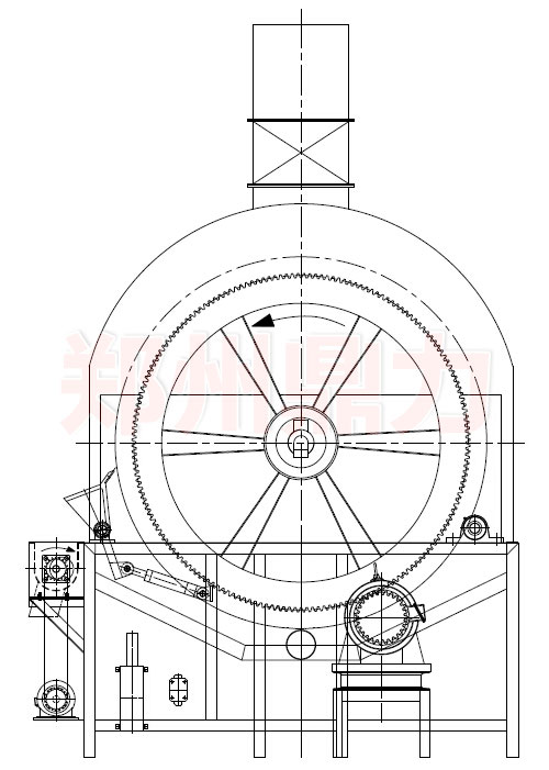
(鼎力酵母烘干機工藝圖)
鄭州鼎力啤酒酵母烘干機已獲國家認證,產品號:ZL 2009 2 0090842.5,設備采用間接傳導加熱方式,使物料充分受熱、水分充分蒸發,設備由烘缸、機架、傳動系統、刮刀裝置、限料、刮削裝置、浸料裝置、汽路系統構成,具有熱量轉化效率高、能耗低、結構緊湊、操作簡單等特點,可大限度減少占地面積、提高生產效率。
另外,鄭州鼎力還有酒糟、豆渣、餐飲垃圾等高濕物料烘干機,受到眾多啤酒廠、豆制品加工廠、飼料加工廠的選購,從廢棄殘渣中獲取利潤,鼎力烘干機品質高、價格從優、案例豐富,如果您想了解更詳細的設備工藝、價格等信息,您可以直接與我司網站客服聯系。
